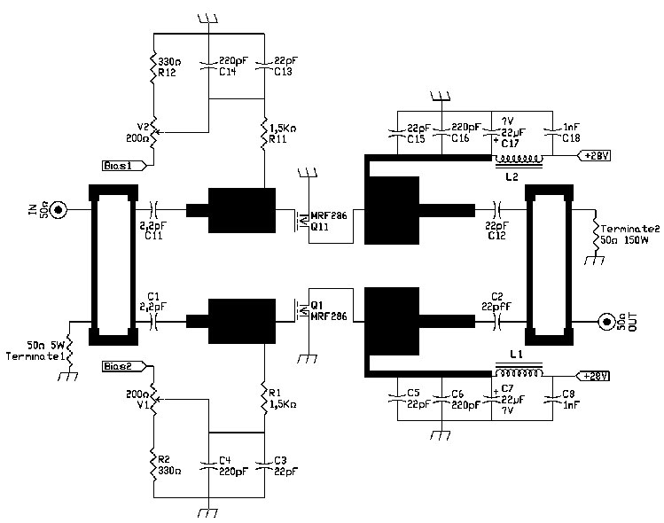
23cm 150W SSPA 2 X MRF286  
 
 
 

Amplificatore per la banda dei 23cm progettato da me e mio figlio Mnauel (IU3CQP).

Le caratteristiche principali di questo progetta sono una buona potenza di uscita ( mai meno di 135W), facile gestione in quanto non necessita di grosse potenze di pilotaggio (12-14W) e alte correnti di assorbimento ( circa 11-12A a 28V) con ridotte dimensioni, la scheda misura 12 x 9,5 cm compresa di anelli ibridi e polarizzazione. Visto i buoni risultati ottenti con questo pallet รจ nata l'idea di provare ad accopiare quattro dispositivi in un unica scheda dando vita all' amplificatore da 500W con 8 MRF286.

Riteniamo che questo SSPA assieme ad una parabola da 150-180 cm sia un compromesso ideale per chi si affaccia in questa banda ma desideri comunque una stazione con buone prestazione per potersi divertire e magari fare qualche dx oltre i 450-500Km.